銷售熱線
技術熱線:0576-85183757
銷售電話:0576-85182037
技術電話:0576-85183757
傳真號碼:0576-85182843
聯系郵箱:haihong@cn-hydraulic.com
公司地址:浙江省臨海市江南街道金嶺路199號
產品特點
控制方式:手柄式,具有定位功能;
工作形式:采用比例減壓閥結構,隨著手柄角度的不同,輸出不同的壓力。
結構緊湊,安裝方便;
制動靈敏,制動微動性能好;
應用領域
主要用于礦山機械、農林機械、裝載機等其它機械的全液壓制動系統。
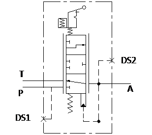
液壓原理圖
特性曲線
技術參數(對超出下述參數的應用場合,請與我公司聯系)
|
概述 |
||||
|
結構 |
整體手柄式 |
|||
|
安裝方式 |
見外形圖 |
|||
|
油口連接方式 |
螺紋 |
|||
|
液壓 |
||||
|
最大制動壓力bar |
70 |
|||
|
公稱壓力bar |
200 | |||
|
允許最大回油背壓bar |
1 |
|||
|
制動出口流量L/min |
30(max) |
|||
|
液壓油溫度范圍℃ |
-20~+100 |
|||
|
粘度范圍m2/s |
10~460 |
|||
|
油液允許的污染等級 |
-/19/16 (ISO4406:1999) |
|||
|
機械 |
||||
|
重量 Kg |
3.3 |
|||
產品外形圖
相關產品
銷售熱線:0576-85182037
友情鏈接: 多路閥系列 先導閥系列 制動閥系列 操縱閥系列 農機閥系列 轉向閥系列 Sitemap TXT Sitemap XML 網站地圖

微信官網

手機官網